
Structure:

Features:
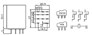
Size mm : 20.5×27×33.4
Terminal layout:3Z
Contact capacity::
Contact resistanc:≤50mΩ
Insulation resistance:≥100MΩ
Dielectric strengt:BOC 1000VAC/BCC 1500VAC
|
Model |
MY2 |
MY3 |
MY4 |
HH52P |
|
Coil rated voltage |
DC 6 to 110V |
DC 6 to 110V |
DC 6 to 110V |
DC 6 to 110V |
|
AC 6 to 220V |
AC 6 to 220V |
AC 6 to 220V |
AC 6 to 220V | |
|
Coil rated power |
DC≤0.9W |
DC≤0.9W |
DC≤0.9W |
DC≤0.9W |
|
AC≤1.2VA |
AC≤1.2VA |
AC≤1.2VA |
AC≤1.2VA | |
|
Electrical Life |
105OPS |
105OPS |
105OPS |
105OPS |
|
Mechanical life |
107OPS |
107OPS |
107OPS |
107OPS |
|
Operating temperature |
|
|
|
|
|
Weight |
≤ |
≤ |
≤ |
≤ |
|
Mounting methods |
Printed Circuit board |
Printed Circuit board |
Printed Circuit board |
Printed Circuit board |
Main technical parameters: